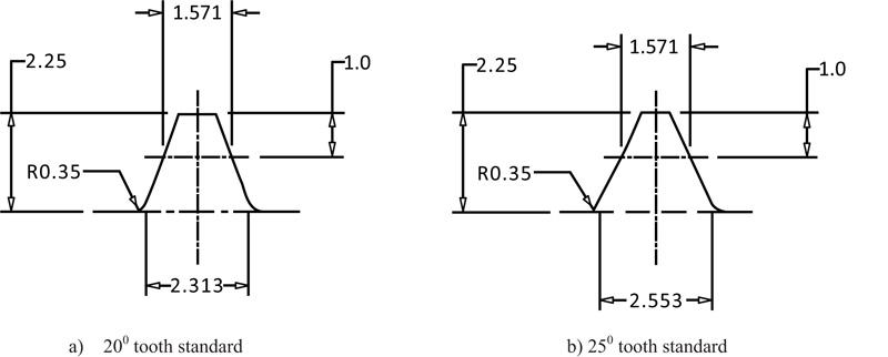
Fig. (A1) Basic rack profile for 20° and 25° involute gear tooth standards.